一、中枢神经肿瘤《病理学》

一、中枢神经肿瘤

(一)胶质

胶质(glioma)具有特异的不同于其它部位肿的生物学特性:

(1)良恶性的相对性:无论高度分化或低度分化的胶质均呈浸润性生长,更无包膜形成。生长迅速、间变程度高的肿,与周围组织截然不同,故边界往往较清楚。

第三脑室分化良好的幼年型星形胶质细胞,由于位于手术禁区,无法进行切除。因此预后不佳。

(2)局部浸润:胶质的浸润性生长主要累及血管周围间隙、软脑膜、室管膜、神经纤维束间。

(3)转移:①脑脊液转移是颅内肿常见的转移方式,相当于颅外恶性肿细胞的淋巴道浸润和转移,特别是位于脑室旁、脑池旁的肿发生这种转移的机会更多。②颅外转移极少见,其中80%以上均有颅脑外科手术史。

1.星形胶质细胞(astrocytoma) 本约占颅内肿的30%,占神经胶质的70%以上。男性较多见。最近研究表明该肿中原基因sis有过度表达,erb-B1则有放大。

肉眼观,肿为数厘米的结节至巨大块状。分化较好的肿,境界不清;而分化程度较低的肿则境界分明。体灰白色。质地视肿内胶质纤维多少而异,或硬、或软、或呈胶冻状外观,并可形成大小不等的囊腔。由于肿的生长、占位和邻近脑细胞的肿胀,脑的原有结构因受挤压而扭曲变形(图16-23)。

星形胶质细胞<a href=瘤"/>

图16-23 星形胶质细胞

左大脑半球肿胀,肿边界不清,部分呈胶冻状

镜下,肿细胞形态多样,可相似于纤维型星形胶质细胞、原浆型星形胶质细胞和肥胖星形胶质细胞,故分别称为纤维型、原浆型和肥胖型星形胶质细胞。前二者为良性肿,后者性质介于良恶性之间。如肿细胞出现间变,细胞密度增大,异型性明显,核深染,出现核分裂像,毛细血管内皮细胞增生,则为间变性星形胶质细胞,为恶性肿

高度恶性的星形胶质细胞称为多形性胶质母细胞(glioblastoma multiforme),多见于成人。肿好发于额叶、颞叶白质,浸润范围广,常可穿过胼胝体到对侧,呈蝴蝶状生长(图16-24)。体因常有出血坏死而呈红褐色。镜下,细胞密集,异型性明显,可见怪异的单核或多核巨细胞。出血坏死明显,是其区别于间变性星形胶质细胞的特征。毛细血管明显增生,内皮细胞增生、肿大,可导致管腔闭塞和血栓形成。肿发展迅速,预后极差,患者多在2年内死亡。

多形性胶质母细胞<a href=瘤"/>

图16-24 多形性胶质母细胞

在两半球内肿呈蝴蝶状,边界不清,切面见有出血、坏死及液化

发生于儿童、青少年的毛发细胞型星形胶质细胞,生长极为缓慢。有报道称患者在不完全切除肿后有带存活达40年者。该常位于小脑、第四脑室底部、第三脑室、丘脑和视神经。其形态特点是由双极性的肿细胞两端发出纤细的毛发状突起。即使有毛细血管增生,本的预后仍相对较好。

应该指出,同一肿的不同区域,细胞可有不同的形态特征,且分化程度也不尽相同,因此肿的分型仅具有相对的意义。

星形胶质细胞的细胞骨架含有胶质纤维酸性蛋白(GFAP),免疫组织化学染色呈阳性反应,是该肿的特异标志。

2.少突胶质细胞(oligodendroglioma) 约占颅内胶质的5%,主要见于30~40岁的成人,男女发病的机会相等。本绝大部分位于大脑半球皮质的浅层,尤以左额叶为多见。

肉眼观,肿呈灰红色边界清楚的球形肿块,位于白质和邻近的皮质,并可累及软脑膜。囊性变、出血和钙化颇为常见,其中钙化灶对X线诊断有一定帮助。

镜下,细胞大小均匀,形态单一,弥漫排列,胞核居中着色深,胞浆空,环绕胞核形成空晕。间质富有血管,有不同程度的内皮细胞增生。约有20%病例可出现细胞钙化,其范围大小不一,其中7%为镜下钙化,有时钙化灶较大,可在X线片上显示出来。如肿组织中混有星形胶质细胞成分达到50%,则称混合性少突星形胶质细胞

生长缓慢,病程可长达10~30年,临床表现多为癫痫和局部性瘫痪。少数生长迅速,酷似多形性胶质母细胞,预后不佳。

3.室管膜(细胞)(ependymoma)起源于室管膜细胞,患者多为儿童和青少年。本占颅内胶质的5%~6%,多见于第四脑室,其次为侧脑室、第三脑室和导水管。脊髓病变多发生于腰胝及马尾部。

肉眼观,颅内室管膜呈膨胀性生长,边界清楚,呈球形、分叶状或乳头状,肿多在脑室内生长。切面灰白色,呈均匀或颗粒状,可发生灶性出血甚至坏死或囊性变,有时也可发现点状钙化。

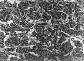
镜下,细胞大小形态一致,呈梭形或胡萝卜形,胞核圆或椭圆,染色质呈细颗粒状,核膜清楚,有核仁。细胞胞浆丰富,突起明显。细胞的排列有二种特征,一是环绕空腔排列成腺管状,形态上与室管膜腔相似,称为菊形团形成,另一是环绕血管形成假菊形团结构,细胞有细长的胞浆突起与血管壁相连(图16-25)。细胞中有神经胶质纤维,以PTAH染色在个别细胞的腔面或胞核旁可见纤毛体,后者与纤毛运动有关,是室管膜细胞的特征性结构。此外,有时还可形成乳头状结构。发生在脊髓圆锥和终丝的肿,乳头状结构轴心中的结缔组织往往富含粘液。

室管膜<a href=瘤"/>

图16-25 室管膜

细胞为圆形或卵圆形,核染色质丰富,胞浆少,可见有细长的胞浆突起与血管相连,呈放射关,形成假菊形团

(二)髓母细胞

髓母细胞(medulloblastoma)好发于儿童,仅次于星形胶质细胞而占第2位,其发生率占儿童颅内肿的25%,发病年龄75%为15岁以下,偶见于成人,男性较女性为多(2~3:1)。

来源于小脑蚓部的原始神经上皮细胞或小脑皮质的胚胎性外颗粒层细胞,故本主要见于小脑,在儿童多发生于小脑蚓部,在成人则多见于小脑半球。

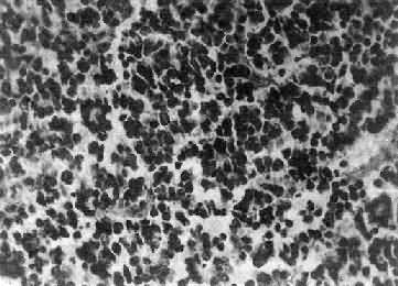
肉眼观,组织呈鱼肉状,色灰红。镜下,肿由圆形、椭圆形或胡萝卜形细胞构成,胞核着色深,胞浆少而边界不清楚,有多少不等的核分裂像。细胞密集,间质中有纤细的纤维,血管不多。细胞环绕一个嗜银性纤细的神经纤维中心作放射状排列形成典型的菊形团(图16-26),这对髓母细胞的病理诊断有一定的意义。细胞具有向神经元及神经胶质双向分化的潜能,既能向神经母细胞、节神经细胞分化,也能向胶质母细胞、星形胶质细胞分化。如细胞侵入软脑膜,可在蛛网膜下腔脑脊液中广泛播散转移。

髓母细胞<a href=瘤"/>

图16-26 髓母细胞

细胞较小,着色深,密集排列,有菊形团形成

髓母细胞恶性程度高,预后差。

(三)脑膜

脑膜(meningioma)可来源于脑膜的各组成成分如蛛网膜细胞,纤维母细胞或血管,其中多数来源于蛛网膜颗粒中的蛛网膜细胞。本大多生长缓慢,良性类型可完全无症状,在70岁以上老人的尸检中,发现无症状的脑膜不在少数,无症状脑膜占颅内肿的14%。脑膜患者多为40~50岁中年人,女性较男性多。

的好发部位与蛛网膜颗粒所在部位相同,常见于上矢状窦旁大脑镰两侧,蝶骨嵴,嗅沟,小脑脑桥角;在脊髓则以胸段为多见,一般颅内脑膜较脊髓脑膜多2倍。

肉眼观,肿呈球形,分叶状或不规则形,质实或硬,边界清楚,周围脑组织受压成凹陷切迹(图16-27)。少数肿呈斑块状覆盖较广泛区域,甚至整个脑半球,称为斑块型脑膜。肿质地硬,切面灰白色,呈颗粒状、条索旋涡状,有的质地似砂砾样,乃由于有多量砂粒体存在。

脑膜<a href=瘤"/>

图16-27 脑膜

于大脑两半球间有一近似球形肿,边界清楚,周围脑组织受压萎缩

由于脑膜的组织来源复杂,其组织学图像也可呈现下列基本类型:

(1)脑膜细胞型(融合细胞型):细胞胞浆丰富,边界不清楚,胞核椭圆形,细胞排列呈分叶状或旋涡状,为纤维间质条索所分隔。

(2)纤维细胞型:细胞呈长梭形,排列成致密的交织束状结构,其间有网状纤维及胶原纤维,有时胞核呈栅状排列。

(3)过度(混合)型:脑膜细胞与纤维细胞混合,排列成分叶状,中央为脑膜细胞,周围为纤维细胞,常形成旋涡状结构(图16-28),其中常包含有同心层状结构的砂粒体,乃变性肿细胞及钙盐沉积。肿质地硬,似砂砾状。

脑膜<a href=瘤"/>

图16-28 脑膜

细胞为圆形或多角形,作旋涡状排列

(4)血管母细胞型:细胞丰富,胞浆模糊,胞核椭圆,多排列在毛细血管旁,并有较多的网状纤维。

各型脑膜中均可有不同程度的出血、钙化,有些并有黄色细胞、软骨、骨、黑色素及粘液样变。

大多数脑膜为良性,细胞可引起邻近颅骨的骨质增生,或肿浸润,但不引起广泛播散或转移,也不侵入邻近的神经组织。一般手术后复发率可达15%,其中血管母细胞型有复发和播散倾向,预后较差。少数脑膜细胞间变明显,与梭形细胞肉难以区分,可发生颅外转移,主要累及肺及淋巴结。

上一页:第五节 肿瘤
当前页:一、中枢神经肿瘤
下一页:二、周围神经肿瘤

返回目录